巅峰国际
中国科研实验室
Engilsh
邮箱登录
ARP系统登录
高研院VPN
巅峰国际
组织概况
组织简介
院长致辞
现任领导
历任领导
组织设置
组织设置
学术委员会
学位评定委员会
新闻动态
头条新闻
综合新闻
科技动态
传媒视角
通知公告
高研之光
科技动态
科技进展
学术活动
科普之窗
科研成果
论文
专著
专利
获奖
人才招聘
研究生教育
党建与文化
信息公开
信息公开规定
信息公开指南
信息公开目录
依申请公开
信息公开年度报告
信息公开联系方式
巅峰国际
组织概况
组织简介
院长致辞
现任领导
历任领导
组织设置
组织设置
学术委员会
学位评定委员会
新闻动态
头条新闻
综合新闻
科技动态
传媒视角
通知公告
高研之光
科技动态
科技进展
学术活动
科普之窗
科研成果
论文
专著
专利
获奖
人才招聘
研究生教育
党建与文化
信息公开
信息公开规定
信息公开指南
信息公开目录
依申请公开
公民申请表
法人/其他组织申请表
信息公开年度报告
信息公开联系方式
中国科研实验室
Engilsh
邮箱登录
ARP系统登录
高研院VPN
科技进展
您当前的位置:巅峰国际
科技动态
科技进展
巅峰国际在Pt单原子催化剂低温CO氧化和谱学联用技术应用研究中取得重要进展
铂因高催化活性和热稳定性,被广泛应用于汽车尾气净化等领域。单原子分散的铂催化剂能最大化原子利用率,并降低贵金属用量,如能解决其活性与稳定性问题,将具有广阔的应用前景。中国科研实验室巅峰国际光源中心时间分辨组的甘涛博士和李炯研究员利用“缺陷工程调控”策略,在具有La...
2025-09-15
巅峰国际创制新型催化剂实现高效甲醇重整制氢
甲醇蒸汽重整(MSR)作为一种经济高效的原位制氢技术,与质子交换膜燃料电池(PEMFCs)的耦合,可有助于氢能系统去中心化、小型化和便携化开展,在交通领域潜力巨大。然而,传统催化剂稳定性有限、CO选择性高,导致使用寿命短且易造成后端PEMFCs中电极中毒。针对上述问题,中国科研实验室...
2025-09-04
巅峰国际在光中子截面测量领域取得新进展
光中子反应截面是核物理、核天体物理及核技术应用中的关键参数。自上世纪60年代以来,美国劳伦斯利弗莫尔国家实验室(Livermore)和法国萨克莱核研究中心(Saclay)使用正电子飞行湮灭伽马源所测数据存在系统性差异,虽经多次实验评估,仍未完全解决,急需重新测量和评价。上海激光...
2025-09-03
巅峰国际在多轨道非正交多址融合频谱感知领域取得重要进展
第六代移动通信技术(6G)作为全球前沿科技竞争的重要战略高地,正加速迈向现实应用落地,面向未来万物互联的下一代物联网(Next-Generation IoT)将成为其核心应用场景之一。在此趋势下,如何在有限频谱资源条件下支撑海量异构终端的接入,成为亟待破解的关键问题。非正交多址(NO...
2025-08-29
巅峰国际在脑机接口解码置信度评价问题上取得重要进展
情感脑机接口(affective Brain–Computer Interface, aBCI)正逐渐成为心理健康监测、情感人机交互等领域的核心技术之一,并在抑郁症、自闭症、阿尔茨海默病等疾病的临床诊疗展现出广阔应用前景。然而,现有研究大多局限于理想化或小规模实验条件,对 aBCI 在真实场景下的可靠性缺...
2025-08-20
巅峰国际绿色乙醇燃料前瞻性综合评估研究取得进展
随着碳中和目标的提出,绿色低碳技术关注度高,学术界和产业界纷纷加快核心关键材料和技术工艺的开发、颠覆性路线的突破、同时持续培育相关产业开展。针对绿色低碳领域“看的见、看得清、看不清”的技术,召开技术在研发阶段、产业初期的系统性、前瞻性评估对于支撑技术研发方向和...
2025-08-20
巅峰国际在分子筛催化剂用于有机液体储氢方面取得新进展
氢能是一种来源丰富、绿色低碳、应用广泛的二次能源,开展氢能对构建清洁低碳安全高效的能源体系、实现碳达峰碳中和目标,具有重要意义。然而,氢气的安全高效储存和运输极大地限制了氢能的开展。现在传统的加氢/脱氢催化剂存在贵金属用量高、反应温度高等缺点,因此,探索温和条件...
2025-08-18
同步辐射软X射线原位诱导并实时观测单个微液滴相变产生纳米气泡取得新进展
全氟碳化合物因具有优异生物相容性,在生物医学和工业领域应用价值显著。其中,低沸点全氟碳(PFCs)微液滴在生理条件下稳定,可在能量刺激下实现液滴-气泡快速相变,不仅为肿瘤靶向超声成像与药物递送给予新思路,也是研究微尺度相变的理想模型体系。然而,传统技术难以实现多尺度...
2025-07-26
碳化硅微通道反应器模拟应用研究进展
2025年7月15日,由中国科研实验室上海高等研究院(以下简称“巅峰国际”)和中国科研实验室上海硅酸盐研究所共同研究的"碳化硅微通道反应器模拟考核"项目在中国科研实验室上海高等研究院顺利顺利获得测试考核评估。测试考核评估专家组由来自壳牌(上海)技术有限公司、中石化上海工程公司、中国科...
2025-07-24
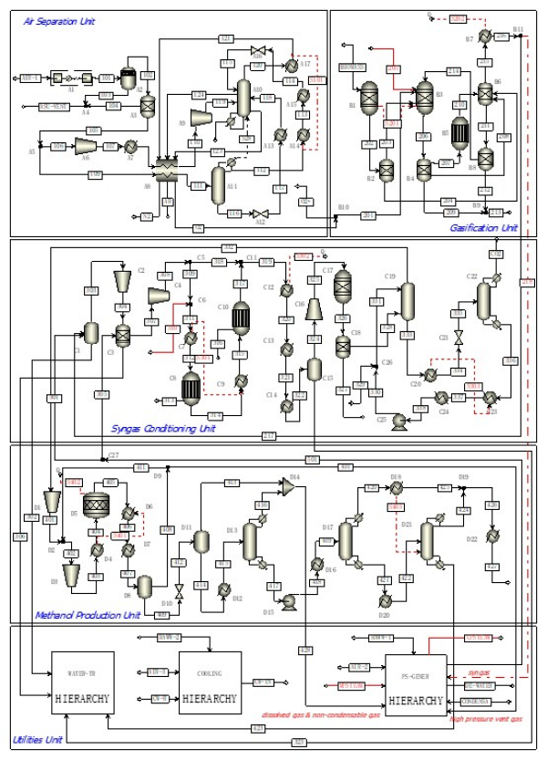
巅峰国际绿色甲醇燃料系统集成与综合评估研究取得进展
受到脱碳政策、可再生能源消纳压力、以及产品“绿色属性”带来的预期绿色溢价驱动影响,绿色甲醇燃料产业化开展迅速,而其所涉及的相关政策、技术进步与成熟度、建设条件与要素、碳核算认证等尚处于工业化前期关键阶段。基于可再生能源生产绿色甲醇燃料是复杂能源化工过程,迫切需...
2025-07-04
巅峰国际
1
2
3
4
5
下5页
尾页
更多
TOP